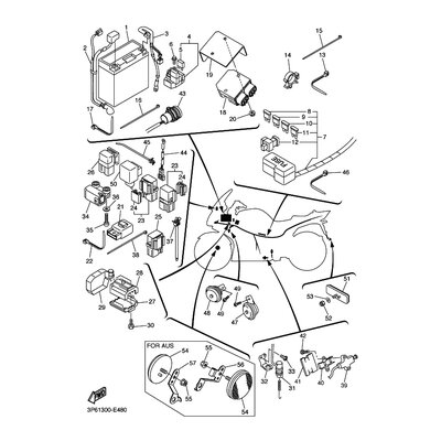
RELAIS KOMPL.
Artikelname: RELAIS KOMPL.
Hersteller: Yamaha
OEM Nummer: 5JJ819501000
Dieser Artikel wurde durch folgenden ersetzt: 5JJ819501100
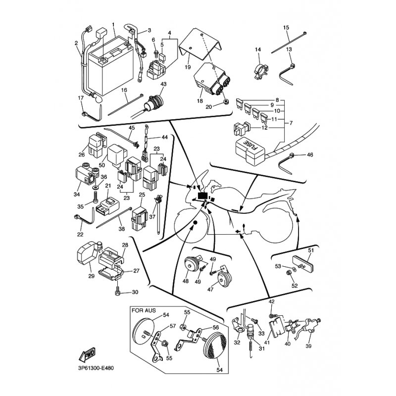
Hersteller: Yamaha
OEM Nummer: 5JJ819501000
Dieser Artikel wurde durch folgenden ersetzt: 5JJ819501100






















