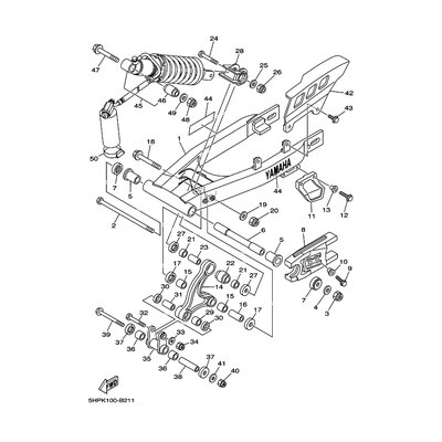
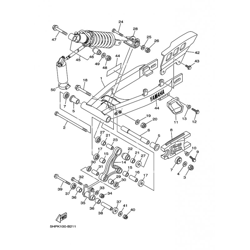
HINTERRADSCHWINGE KOMPL.
Artikelname: HINTERRADSCHWINGE KOMPL.
Hersteller: Yamaha
OEM Nummer: 5HP221102000
Hersteller: Yamaha
OEM Nummer: 5HP221102000






















