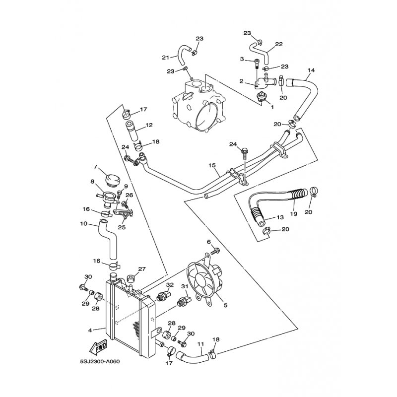
STUTZE
Artikelname: STUTZE
Hersteller: Yamaha
OEM Nummer: 5GM124430000
Hersteller: Yamaha
OEM Nummer: 5GM124430000






















