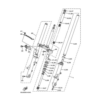
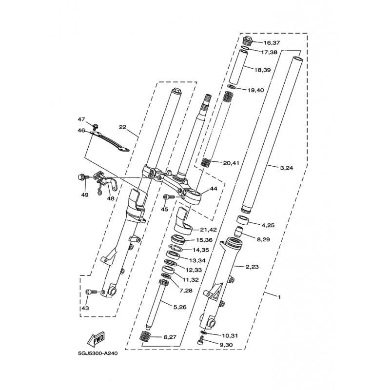
FEDER,VORDERRADGABEL
Artikelname: FEDER,VORDERRADGABEL
Hersteller: Yamaha
OEM Nummer: 5GJ231410000
Hersteller: Yamaha
OEM Nummer: 5GJ231410000






















