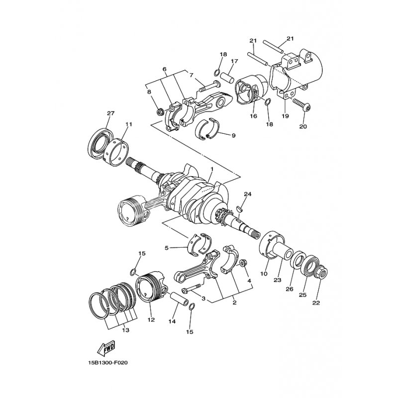
GLEITLAGER, PLEUELSTANGE
Artikelname: GLEITLAGER, PLEUELSTANGE
Hersteller: Yamaha
OEM Nummer: 5GJ116561000
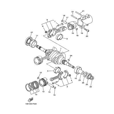
Hersteller: Yamaha
OEM Nummer: 5GJ116561000




















