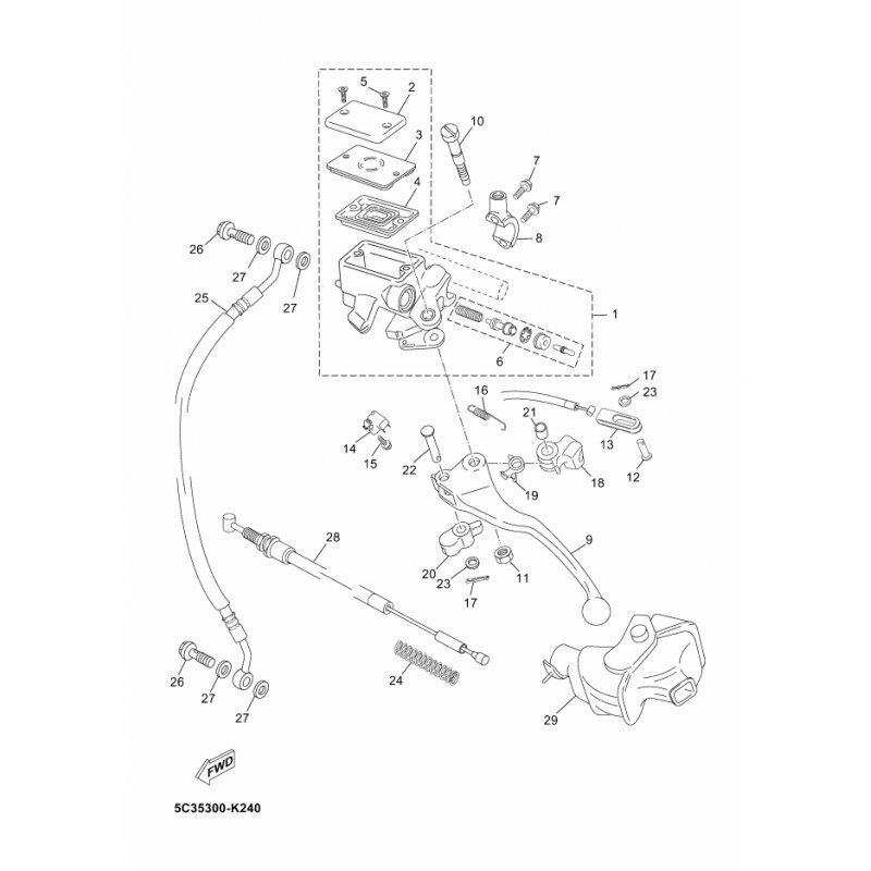
KONSOLE, HAUPTBREMSZYL.
Artikelname: KONSOLE, HAUPTBREMSZYL.
Hersteller: Yamaha
OEM Nummer: 5C3258670100
Hersteller: Yamaha
OEM Nummer: 5C3258670100






















