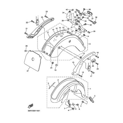
STAY, 9
Artikelname: STAY, 9
Hersteller: Yamaha
OEM Nummer: 5BN2317W3000
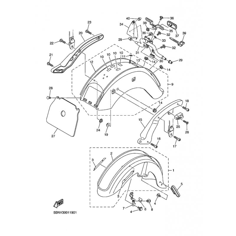
Hersteller: Yamaha
OEM Nummer: 5BN2317W3000




















