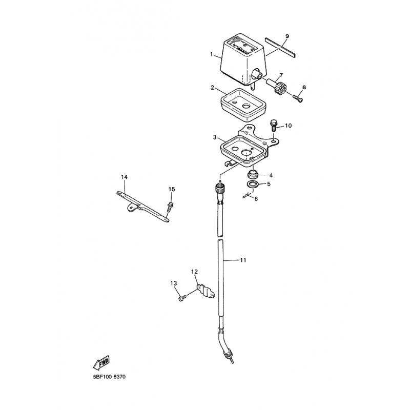
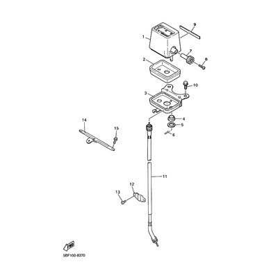
GESCHWINDIGK. KABEL KOMPL.
Artikelname: GESCHWINDIGK. KABEL KOMPL.
Hersteller: Yamaha
OEM Nummer: 5BF835500000
Hersteller: Yamaha
OEM Nummer: 5BF835500000




















