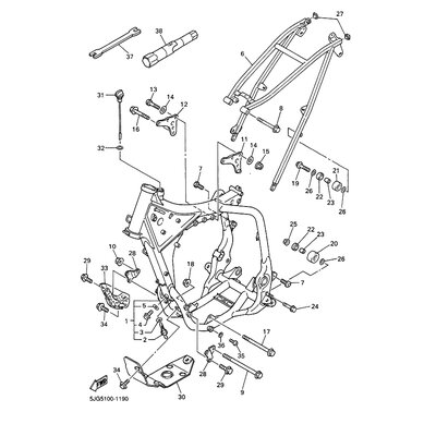
FUHRUNG, MOTOR 1
Artikelname: FUHRUNG, MOTOR 1
Hersteller: Yamaha
OEM Nummer: 5BE2147A0000
Dieser Artikel wurde durch folgenden ersetzt: 5TA2147A0000
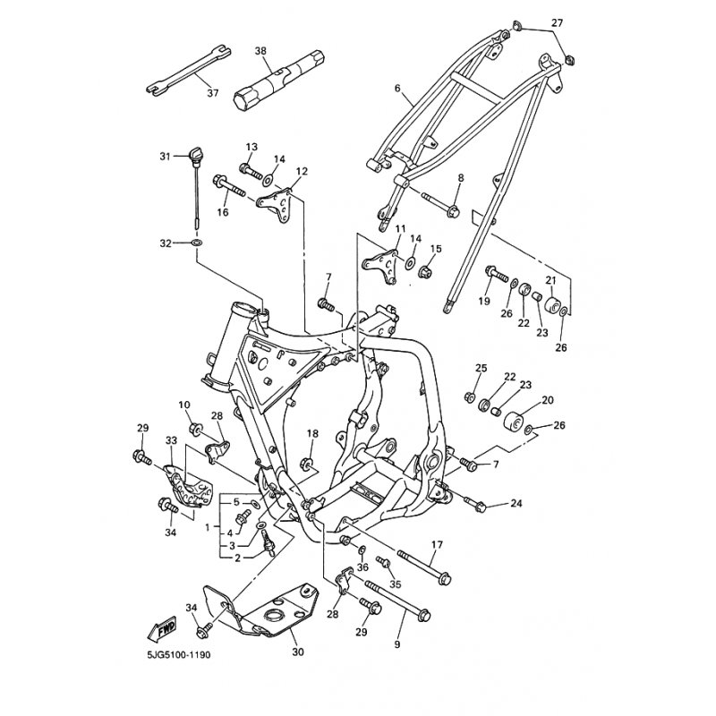
Hersteller: Yamaha
OEM Nummer: 5BE2147A0000
Dieser Artikel wurde durch folgenden ersetzt: 5TA2147A0000






















