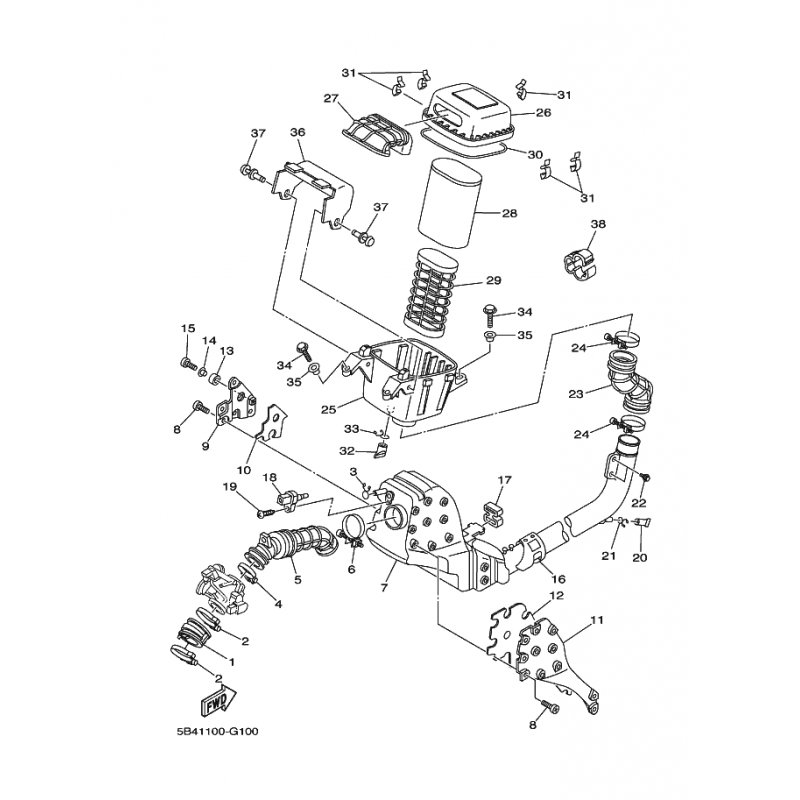
DAMPFER
Artikelname: DAMPFER
Hersteller: Yamaha
OEM Nummer: 5B4E44090000
Hersteller: Yamaha
OEM Nummer: 5B4E44090000






















