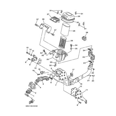
ABSTANDHALTER
Artikelname: ABSTANDHALTER
Hersteller: Yamaha
OEM Nummer: 5B4E41630000
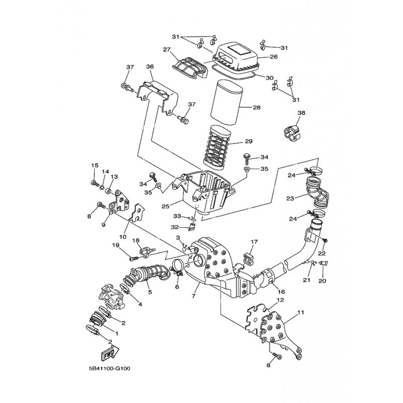
Hersteller: Yamaha
OEM Nummer: 5B4E41630000






















