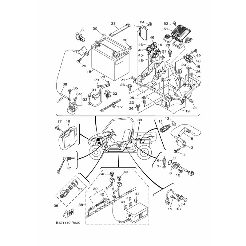
LEITUNGSSCHALTER-EINH
Artikelname: LEITUNGSSCHALTER-EINH
Hersteller: Yamaha
OEM Nummer: 5B4821800000
Hersteller: Yamaha
OEM Nummer: 5B4821800000






















