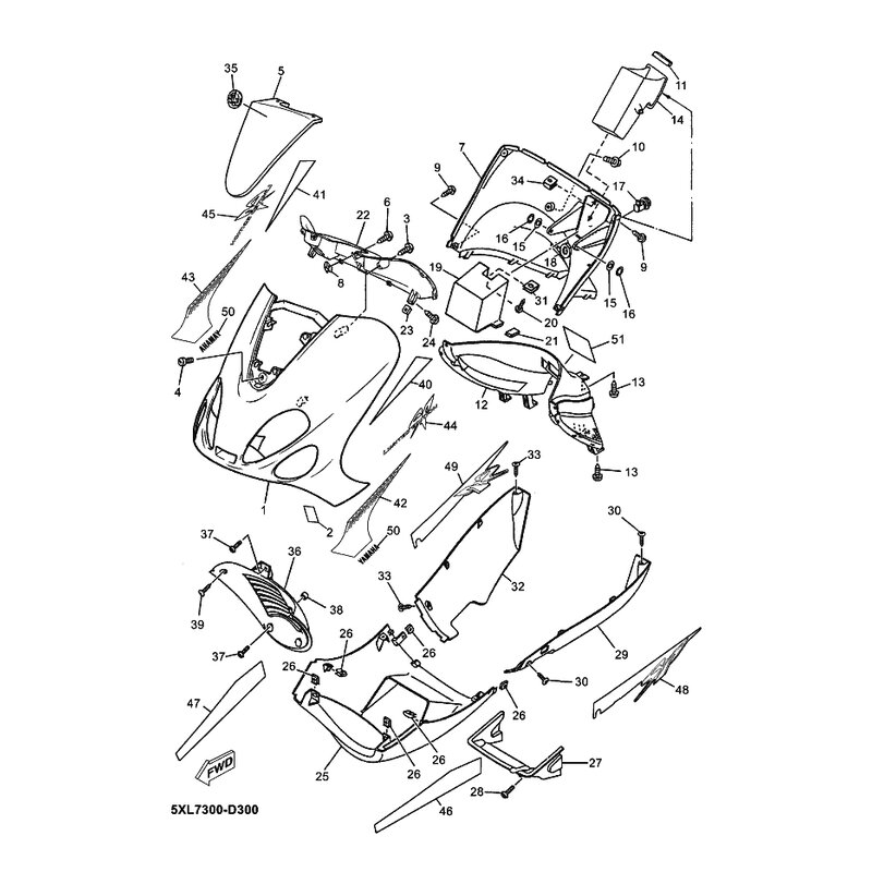
AUFKLEBER, VERKLEIDUNG 5
Artikelname: AUFKLEBER, VERKLEIDUNG 5
OEM: 5XL-F8398-00 [5XLF83980000]
OEM: 5XL-F8398-00 [5XLF83980000]




















