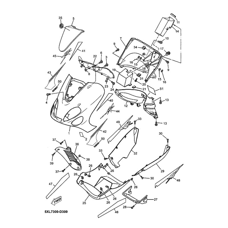
AUFKLEBER, VERKLEIDUNG 2
Artikelname: AUFKLEBER, VERKLEIDUNG 2
OEM: 5XL-F8392-00 [5XLF83920000]
OEM: 5XL-F8392-00 [5XLF83920000]




















