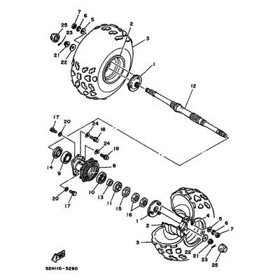
HULSE, RAD
Artikelname: HULSE, RAD
OEM: 5V7-25383-00 [5V7253830000]
OEM: 5V7-25383-00 [5V7253830000]




















