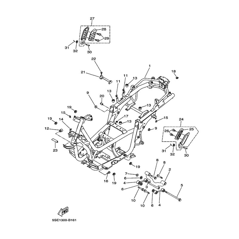
HINTERE FUSSRASTE KOMPL. 1
Artikelname: HINTERE FUSSRASTE KOMPL. 1
OEM: 5SE-F7430-10 [5SEF74301000]
OEM: 5SE-F7430-10 [5SEF74301000]




















