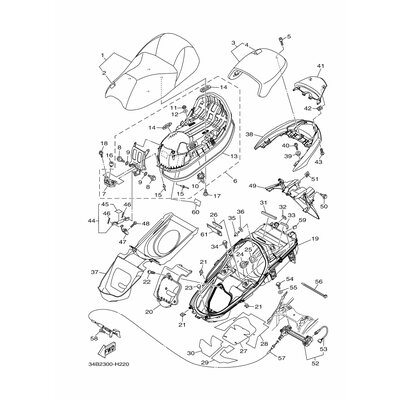
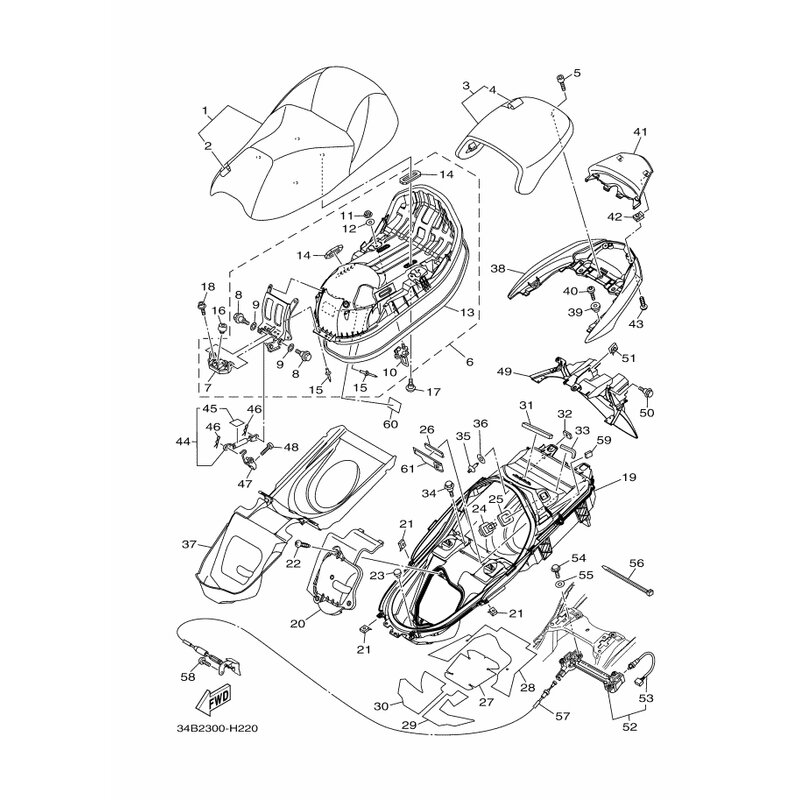
HANGRIFF, SITZ
Artikelname: HANGRIFF, SITZ
OEM: 5RU-24773-00-PH [5RU2477300PH]
OEM: 5RU-24773-00-PH [5RU2477300PH]






















