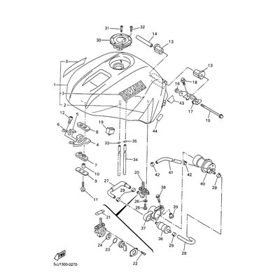
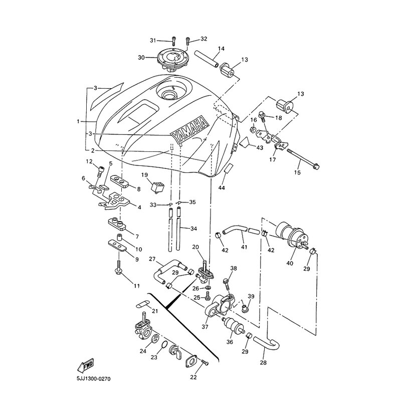
SPEZIALSCHEIBE
Artikelname: SPEZIALSCHEIBE
OEM: 5JJ-24187-00 [5JJ241870000]
OEM: 5JJ-24187-00 [5JJ241870000]






















