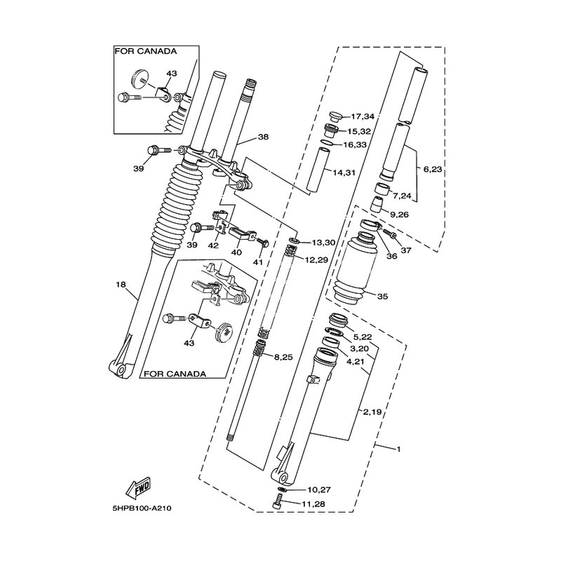
GABELBEIN (LINKS)
Artikelname: GABELBEIN (LINKS)
OEM: 5HP-23102-01 [5HP231020100]
OEM: 5HP-23102-01 [5HP231020100]




















