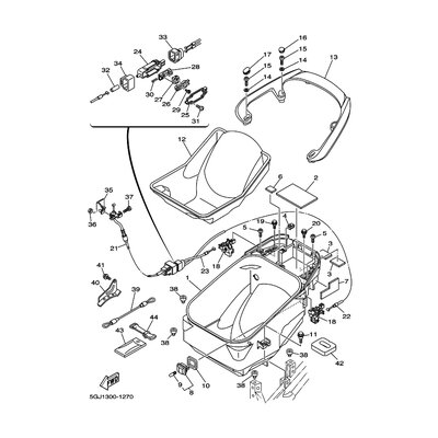
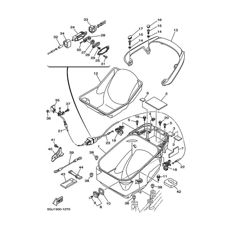
HANGRIFF, SITZ
Artikelname: HANGRIFF, SITZ
OEM: 5GJ-24773-00-P0 [5GJ2477300P0]
OEM: 5GJ-24773-00-P0 [5GJ2477300P0]




















