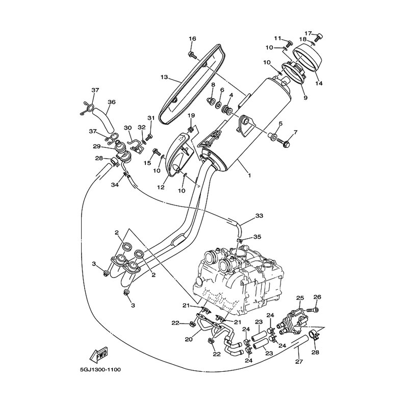
ROHR 5
Artikelname: ROHR 5
OEM: 5GJ-14875-00 [5GJ148750000]
OEM: 5GJ-14875-00 [5GJ148750000]




















