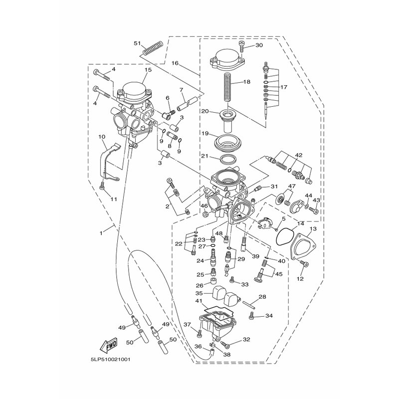
HALTER
Artikelname: HALTER
OEM: 5GH-14261-10 [5GH142611000]
OEM: 5GH-14261-10 [5GH142611000]




















