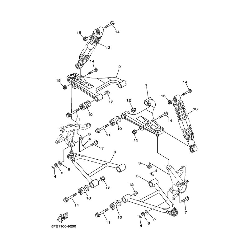
STOSSDAMPFEREINHEIT
Artikelname: STOSSDAMPFEREINHEIT
OEM: 5FE-23350-00-33 [5FE233500033]
OEM: 5FE-23350-00-33 [5FE233500033]




















