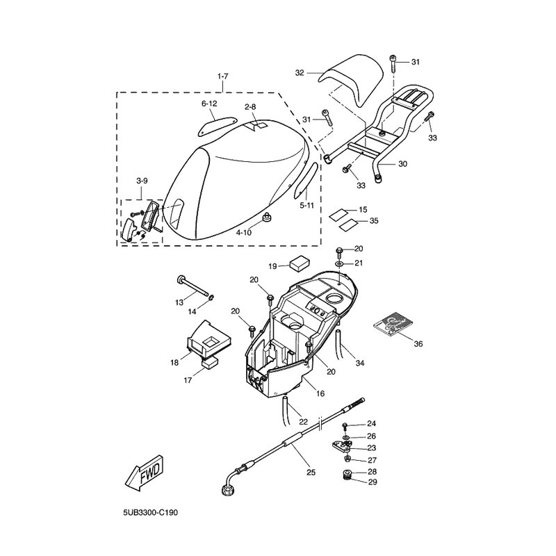
DECKEL, DOPPELSITZ
Artikelname: DECKEL, DOPPELSITZ
OEM: 5EU-F4731-90 [5EUF47319000]
OEM: 5EU-F4731-90 [5EUF47319000]






















