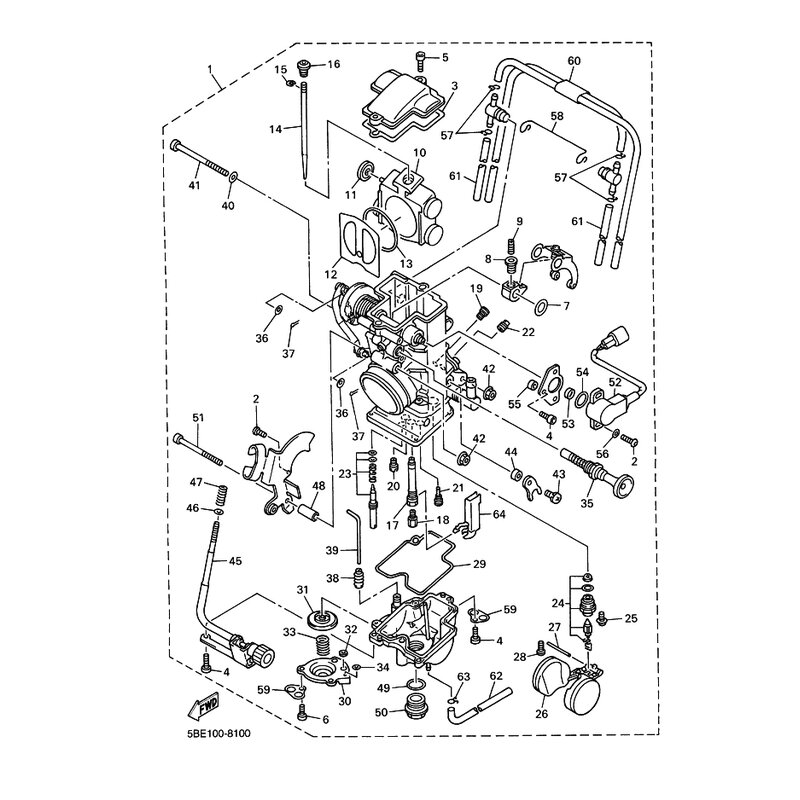
NADEL
Artikelname: NADEL
OEM: 5BE-14916-ET [5BE14916ET00]
OEM: 5BE-14916-ET [5BE14916ET00]






















