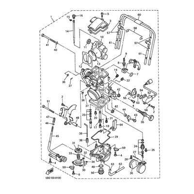
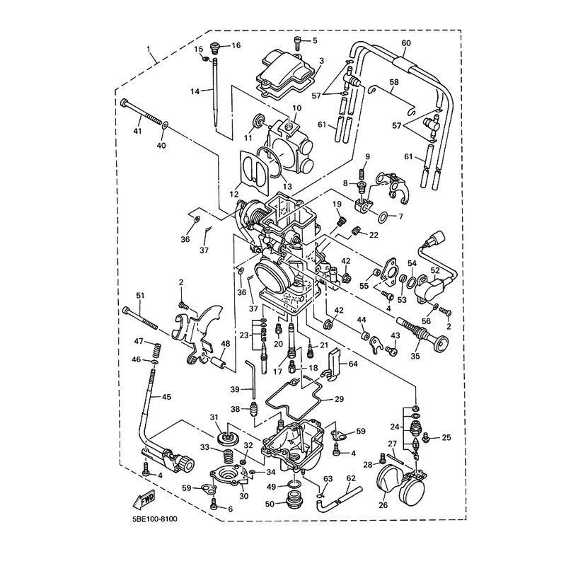
NADEL
Artikelname: NADEL
OEM: 5BE-14916-DT [5BE14916DT00]
OEM: 5BE-14916-DT [5BE14916DT00]






















