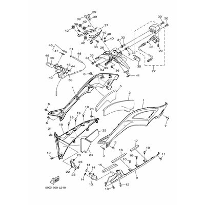
DAMPFER
Artikelname: DAMPFER
Hersteller: Yamaha
OEM Nummer: 59C218520000
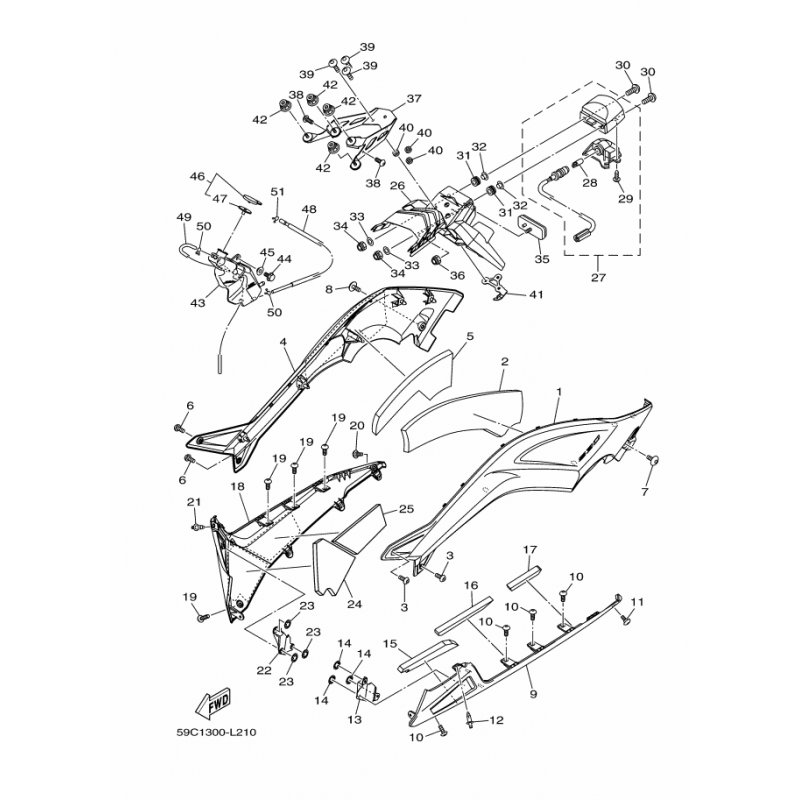
Hersteller: Yamaha
OEM Nummer: 59C218520000




















