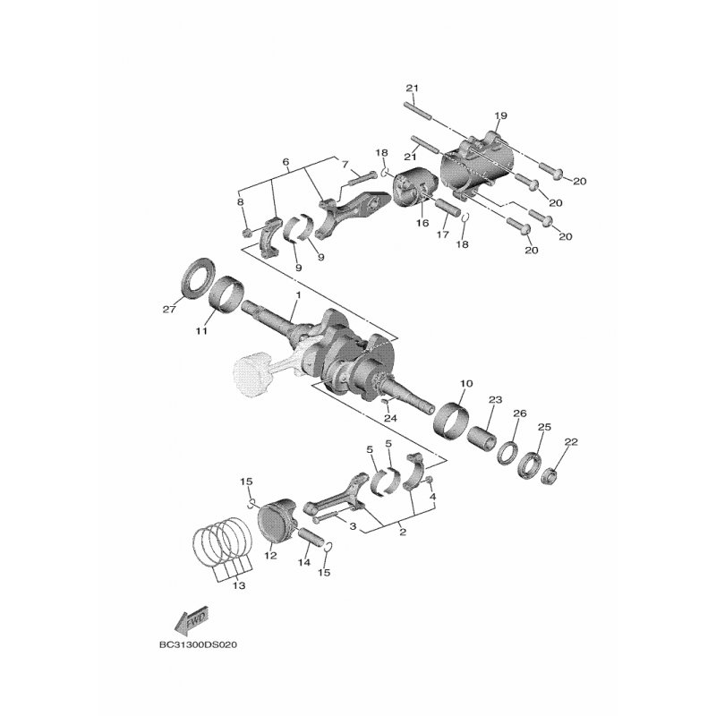
KOLBEN (STD)
Artikelname: KOLBEN (STD)
Hersteller: Yamaha
OEM Nummer: 59C116310000
Hersteller: Yamaha
OEM Nummer: 59C116310000




















