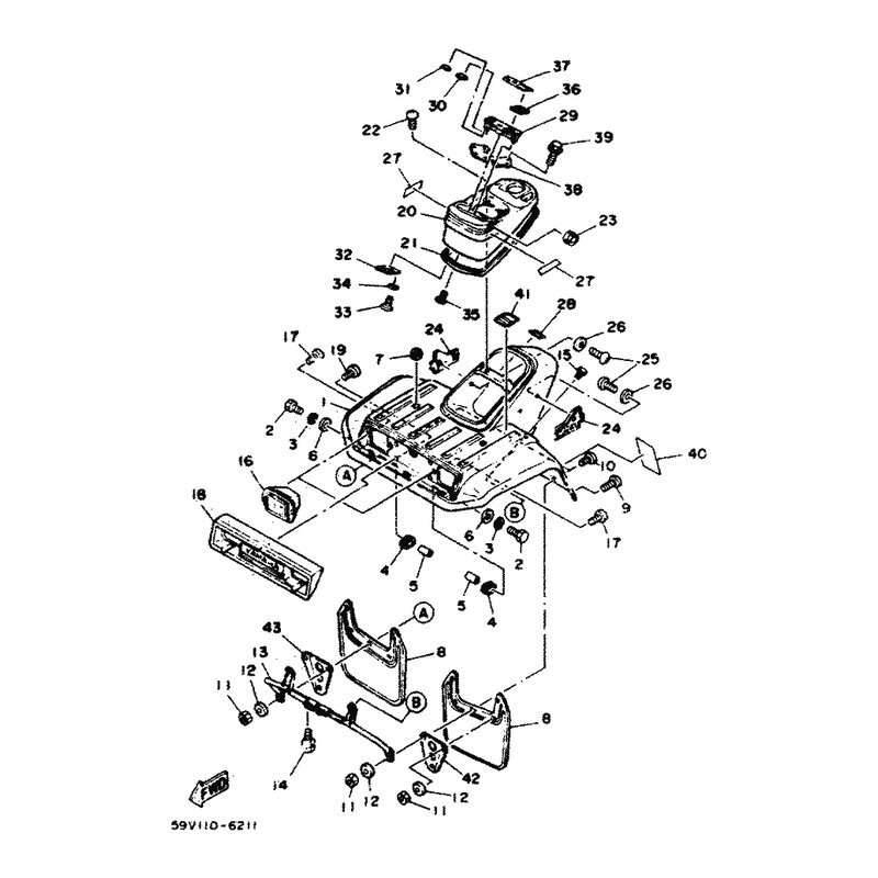
PANEL, INSTRUMENT
Artikelname: PANEL, INSTRUMENT
OEM: 59V-77712-00 [59V777120000]
OEM: 59V-77712-00 [59V777120000]




















