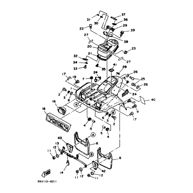
VERKLEIDUNG, VORNE
Artikelname: VERKLEIDUNG, VORNE
OEM: 59V-23391-00 [59V233910000]
OEM: 59V-23391-00 [59V233910000]




















