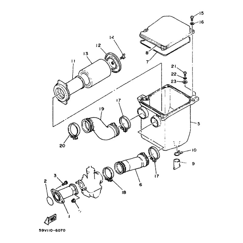
KANAL
Artikelname: KANAL
OEM: 59V-14437-00 [59V144370000]
OEM: 59V-14437-00 [59V144370000]




















