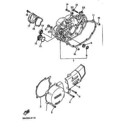
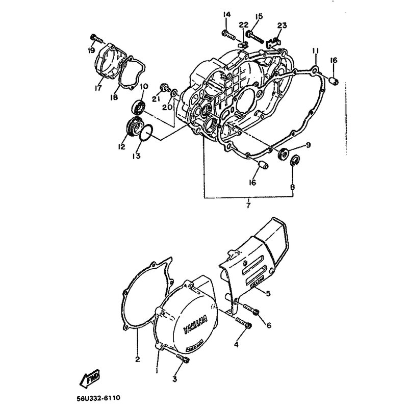
DECKEL, KURBELGEHAUSE 1
Artikelname: DECKEL, KURBELGEHAUSE 1
OEM: 583-15411-00 [583154110000]
OEM: 583-15411-00 [583154110000]




















