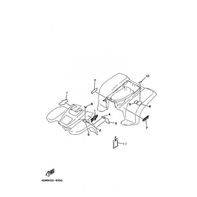
SITZ, BATTERIE
Artikelname: SITZ, BATTERIE
Hersteller: Yamaha
OEM Nummer: 55X821220000
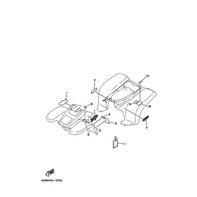
Hersteller: Yamaha
OEM Nummer: 55X821220000






















