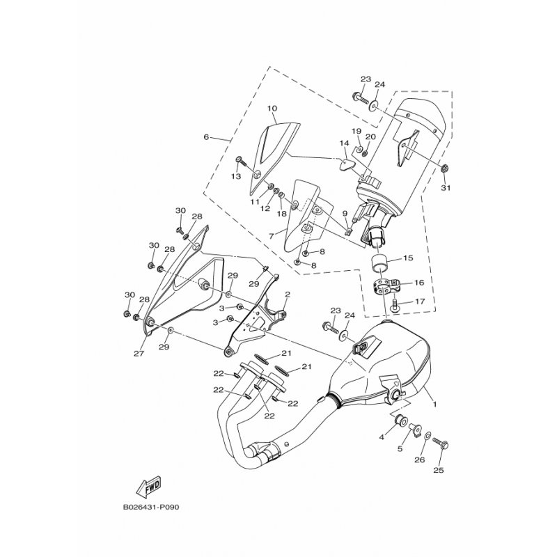
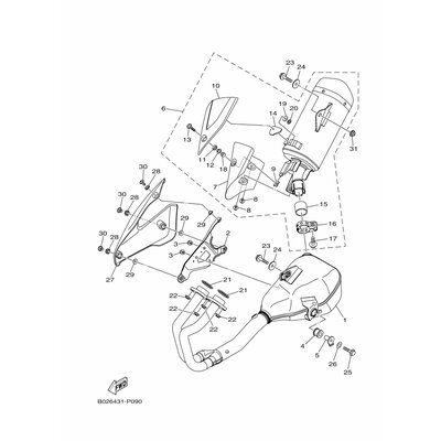
DICHTUNG, SCHALLDAMPFER
Artikelname: DICHTUNG, SCHALLDAMPFER
Hersteller: Yamaha
OEM Nummer: 54DE47140000
Hersteller: Yamaha
OEM Nummer: 54DE47140000




















