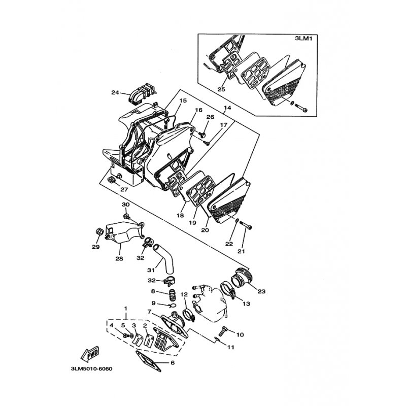
ZUNGENVENTILEINHEIT
Artikelname: ZUNGENVENTILEINHEIT
Hersteller: Yamaha
OEM Nummer: 53V136100000
Hersteller: Yamaha
OEM Nummer: 53V136100000




















