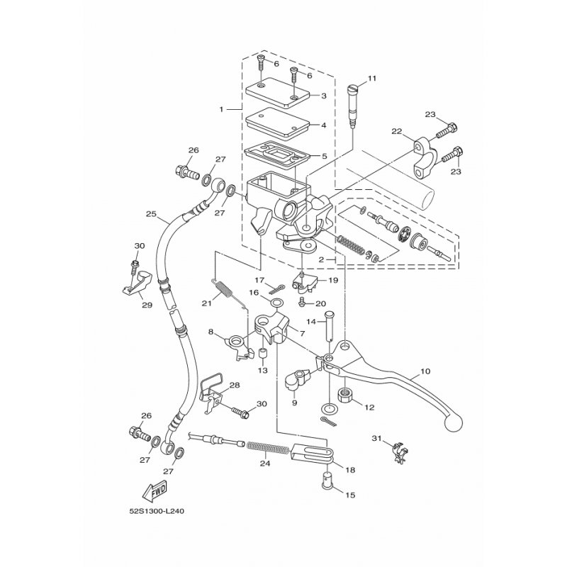
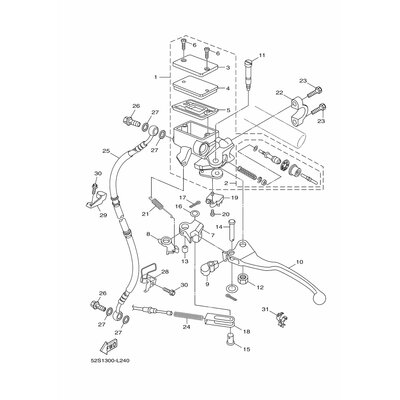
HALTER, BREMSSCHLAUCH 2
Artikelname: HALTER, BREMSSCHLAUCH 2
Hersteller: Yamaha
OEM Nummer: 52SF58760000
Hersteller: Yamaha
OEM Nummer: 52SF58760000





















