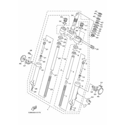
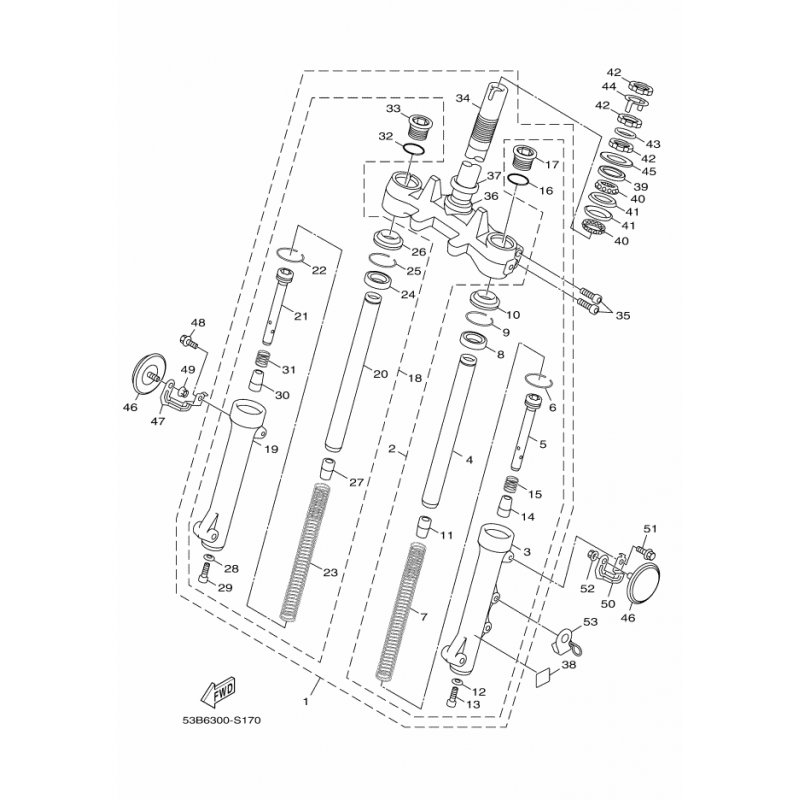
AUSSERES ROHR 2
Artikelname: AUSSERES ROHR 2
Hersteller: Yamaha
OEM Nummer: 52SF31360100
Hersteller: Yamaha
OEM Nummer: 52SF31360100




















