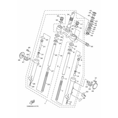
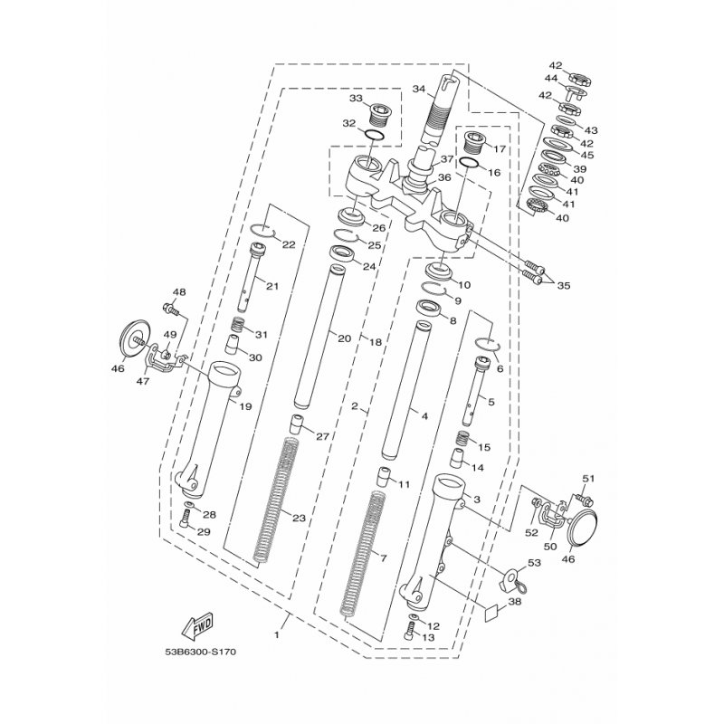
AUSSERES ROHR 1
Artikelname: AUSSERES ROHR 1
Hersteller: Yamaha
OEM Nummer: 52SF31260100
Hersteller: Yamaha
OEM Nummer: 52SF31260100




















