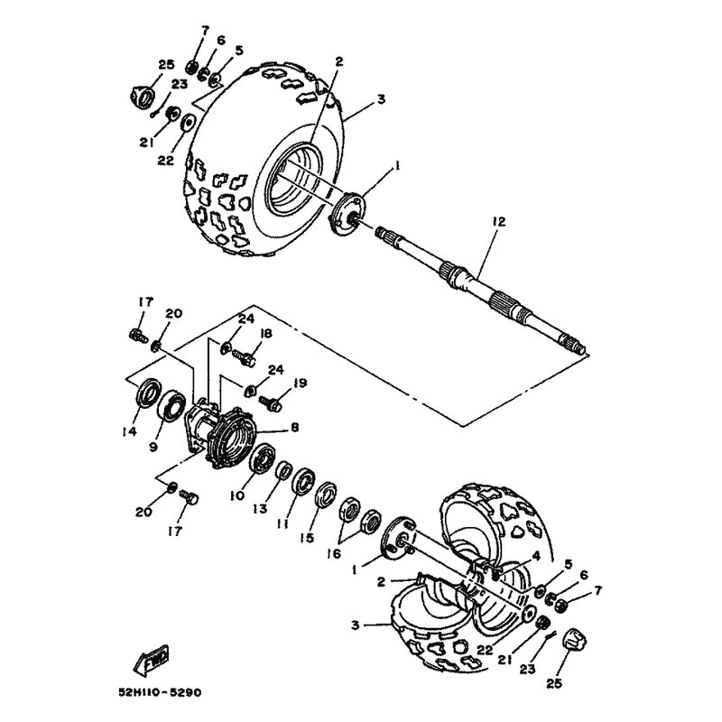
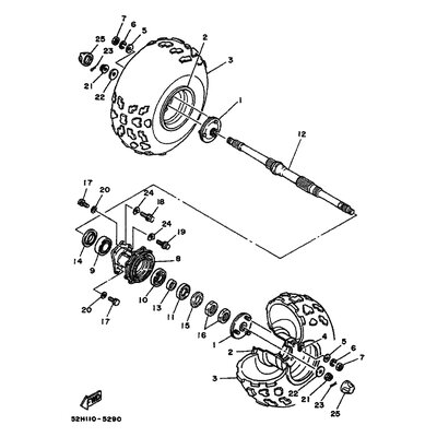
RADACHSE
Artikelname: RADACHSE
OEM: 52H-25381-00 [52H253810000]
OEM: 52H-25381-00 [52H253810000]




















