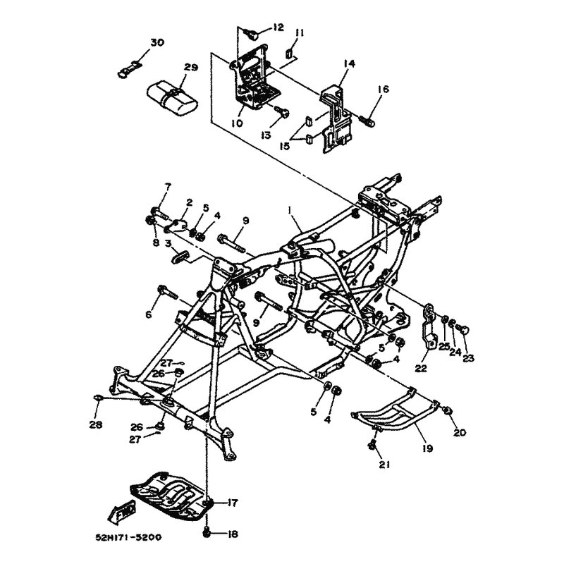
SCHUTZ, MOTOR
Artikelname: SCHUTZ, MOTOR
OEM: 52H-21471-00 [52H214710000]
OEM: 52H-21471-00 [52H214710000]




















