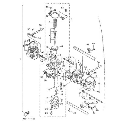
VERGASEREINHEIT 2
Artikelname: VERGASEREINHEIT 2
Hersteller: Yamaha
OEM Nummer: 51H149021000
Dieser Artikel wurde durch folgenden ersetzt: 3KM149020000
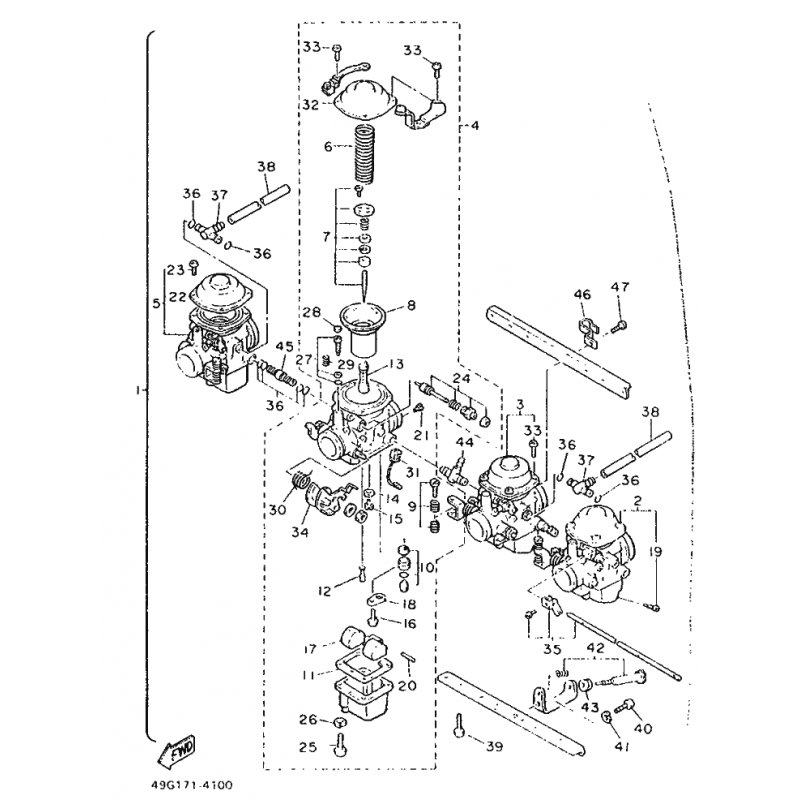
Hersteller: Yamaha
OEM Nummer: 51H149021000
Dieser Artikel wurde durch folgenden ersetzt: 3KM149020000






















