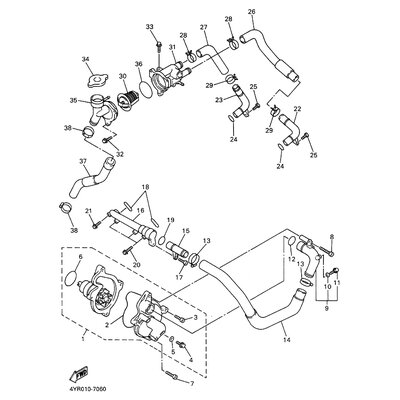
WASSERPUMPE
Artikelname: WASSERPUMPE
Hersteller: Yamaha
OEM Nummer: 4YRY12420000
Dieser Artikel wurde durch folgenden ersetzt: 5DMY12420000
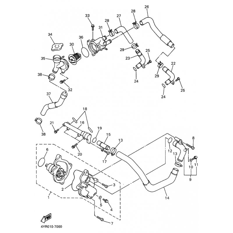
Hersteller: Yamaha
OEM Nummer: 4YRY12420000
Dieser Artikel wurde durch folgenden ersetzt: 5DMY12420000






















