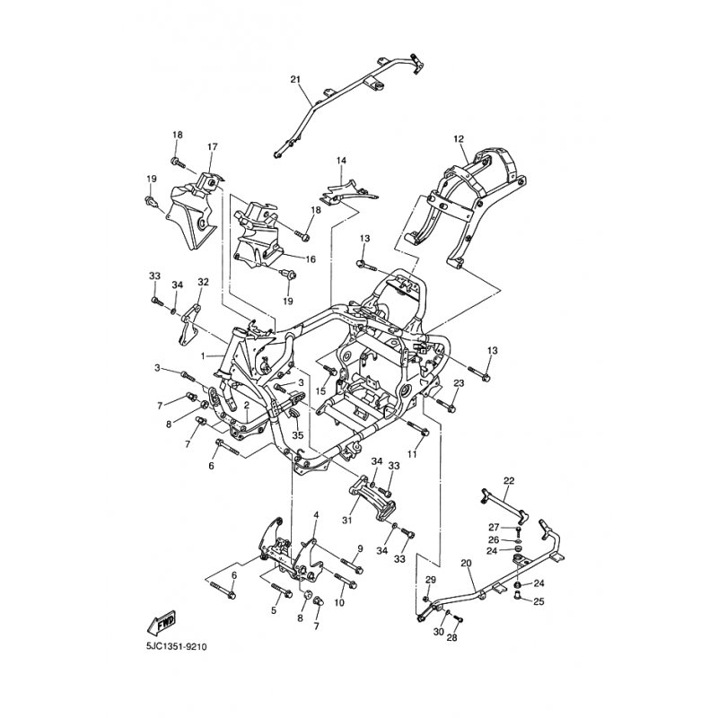
STUTZE, SCHALLDAMPFER 1
Artikelname: STUTZE, SCHALLDAMPFER 1
Hersteller: Yamaha
OEM Nummer: 4XY214450000
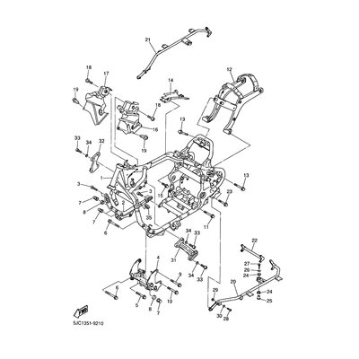
Hersteller: Yamaha
OEM Nummer: 4XY214450000






















