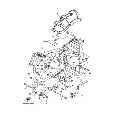
STAY 1
Artikelname: STAY 1
Hersteller: Yamaha
OEM Nummer: 4WM2137F0000
Dieser Artikel wurde durch folgenden ersetzt: 5VN2137F0000
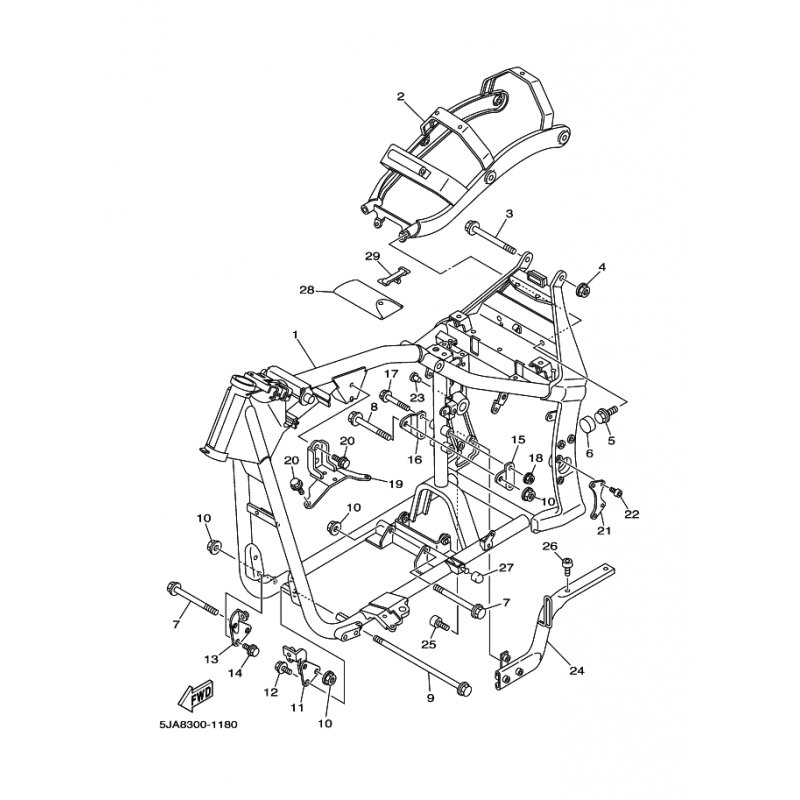
Hersteller: Yamaha
OEM Nummer: 4WM2137F0000
Dieser Artikel wurde durch folgenden ersetzt: 5VN2137F0000




















