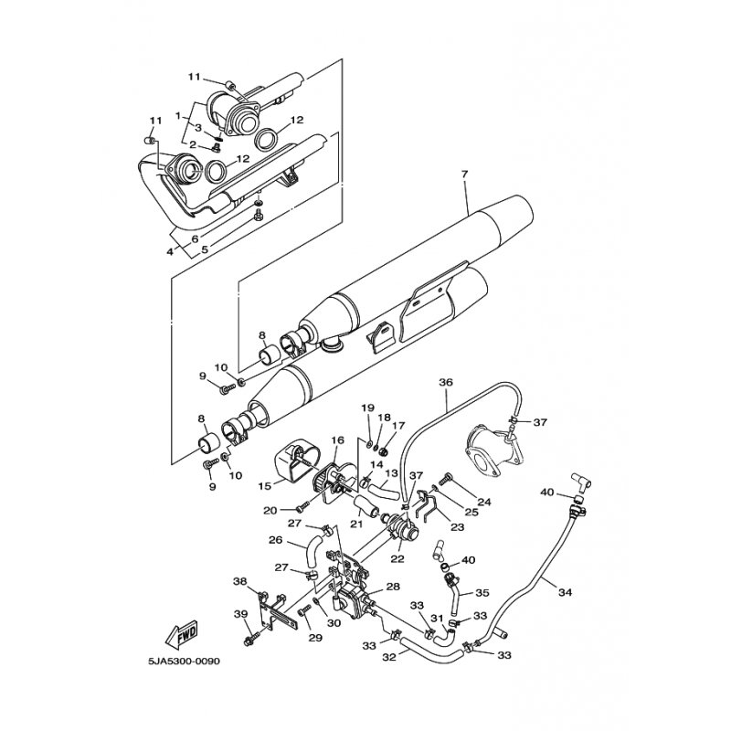
GEHAUSE, LUFTFILTER
Artikelname: GEHAUSE, LUFTFILTER
Hersteller: Yamaha
OEM Nummer: 4WM148570000
Hersteller: Yamaha
OEM Nummer: 4WM148570000




















