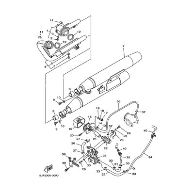
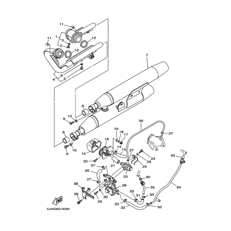
ZUNGENVENTILEINHEIT
Artikelname: ZUNGENVENTILEINHEIT
Hersteller: Yamaha
OEM Nummer: 4WM148080000
Hersteller: Yamaha
OEM Nummer: 4WM148080000




















