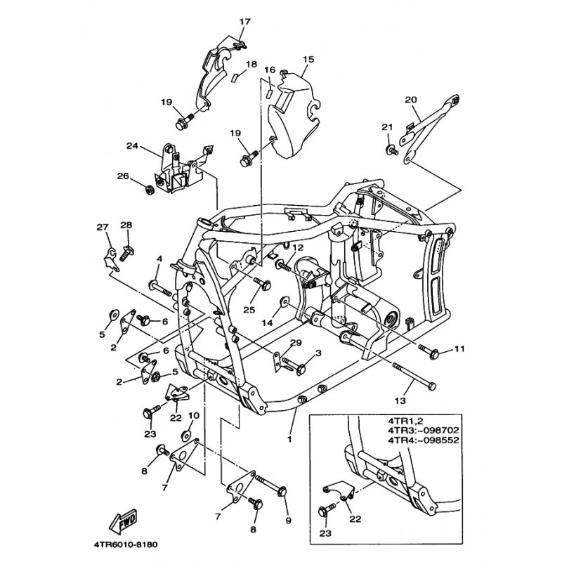
KONSOLE, KRAFTSTOFFPUMPE
Artikelname: KONSOLE, KRAFTSTOFFPUMPE
Hersteller: Yamaha
OEM Nummer: 4TR244910100
Dieser Artikel wurde durch folgenden ersetzt: 4TR244910200
Hersteller: Yamaha
OEM Nummer: 4TR244910100
Dieser Artikel wurde durch folgenden ersetzt: 4TR244910200






















