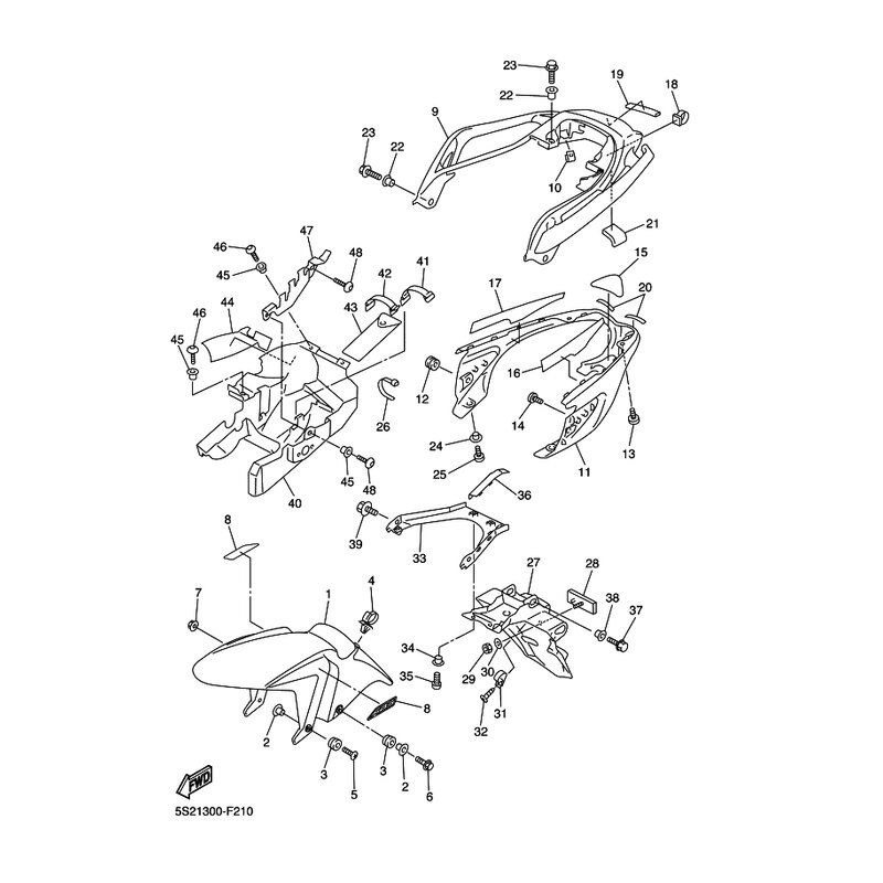
KOTFLUGEL, VORNE
Artikelname: KOTFLUGEL, VORNE
Hersteller: Yamaha
OEM Nummer: 4S82151100P7
Hersteller: Yamaha
OEM Nummer: 4S82151100P7




















