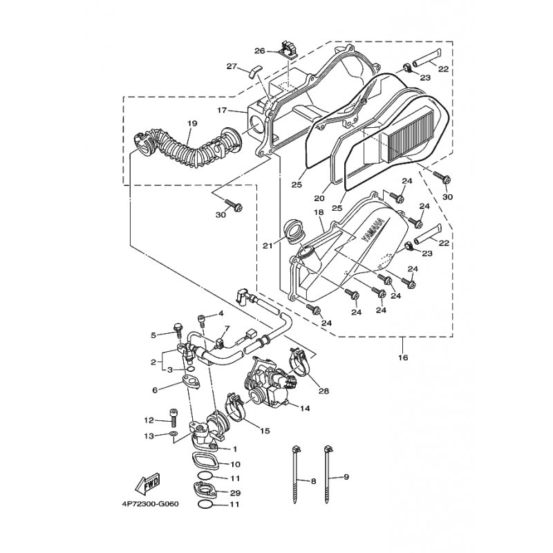
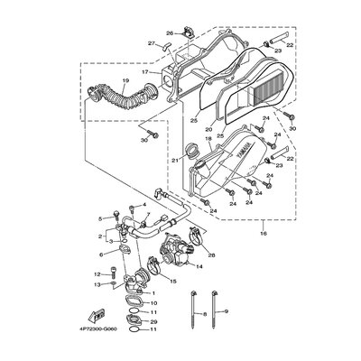
BAND
Artikelname: BAND
Hersteller: Yamaha
OEM Nummer: 4P7E34740000
Hersteller: Yamaha
OEM Nummer: 4P7E34740000






















