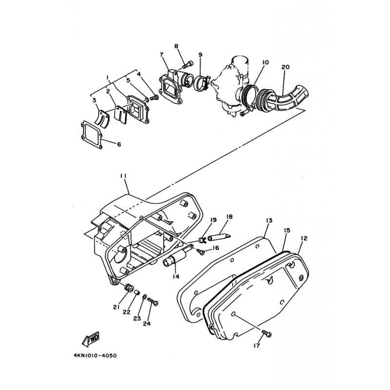
ELEMENT, LUFTFILTER
Artikelname: ELEMENT, LUFTFILTER
Hersteller: Yamaha
OEM Nummer: 4KN144510000
Hersteller: Yamaha
OEM Nummer: 4KN144510000




















